Skip to main content

Simple to Specify Clamp icon Easy to Order Clamp icon Rapid to Assemble

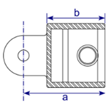
173F - Single Swivel Combination Female Part (Self Colour)

Versatile fitting with a multitude of uses. Can be supplied pre-assembled with other fittings to form type 169.

Warning: To provide sufficient stability, whole structures must not be made from swivel fittings alone.

Please note that these fittings are bare metal and will be naturally prone to rusting unless a protective coating such as a lacquer is applied.

 

 

Product Data & Dimensions

Size b (mm) c (mm) Weight (kg) Box Qty*
  B34   61   38   0.36   108

* Fittings are sold individually and do not need to be bought in box quantities. Box quantities may be subject to change without prior notice.

Figures given as guidance only, dimensions and weights are subject to manfacturing tolerances and may be altered without prior notice.

Do not perform any pre-drilling, tube cutting, casting uprights or any other dimensionally critical processes prior to receiving fittings.

Find out more about how this website uses cookies to enhance your browsing experience. Learn More.