Skip to main content

Simple to Specify Clamp icon Easy to Order Clamp icon Rapid to Assemble

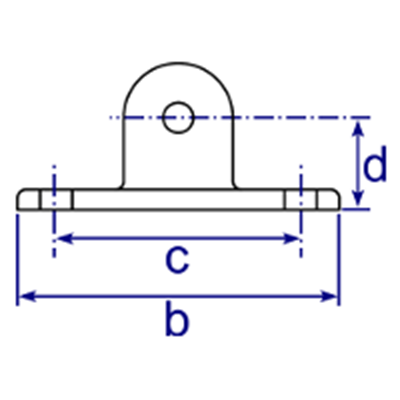
169M - Swivel Base Flange Male Part (Self Colour)

A versatile swivel fitting, useful for fixing angled tubes to walls etc. Fixing holes suit a wide range of common mechanical and chemical masonry anchors which we should be pleased to quote for on request. N.B. This fitting is available in one size only to suit all sizes of type 173F. This fitting is not designed to withstand lateral loading.

Warning: To provide sufficient stability, whole structures must not be made from swivel fittings alone.

Please note that these fittings are bare metal and will be naturally prone to rusting unless a protective coating such as a lacquer is applied.

 

 

Product Data & Dimensions

Size b (mm) c (mm) d (mm) Hole Dia (mm) Weight (kg) Box Qty*
  -   112   85   32   11   0.37   100

* Fittings are sold individually and do not need to be bought in box quantities. Box quantities may be subject to change without prior notice.

Figures given as guidance only, dimensions and weights are subject to manfacturing tolerances and may be altered without prior notice.

Do not perform any pre-drilling, tube cutting, casting uprights or any other dimensionally critical processes prior to receiving fittings.

Find out more about how this website uses cookies to enhance your browsing experience. Learn More.